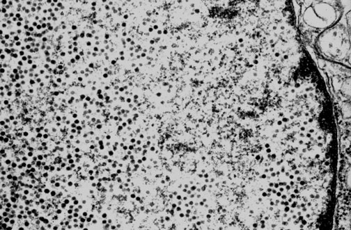
Progressive multifocal leukoencephalopathy is caused by infection with the JC papovavirus. Here, small round dark JC viral particles appear in the nucleus of an infected oligodendrocyte in this electron micrograph.